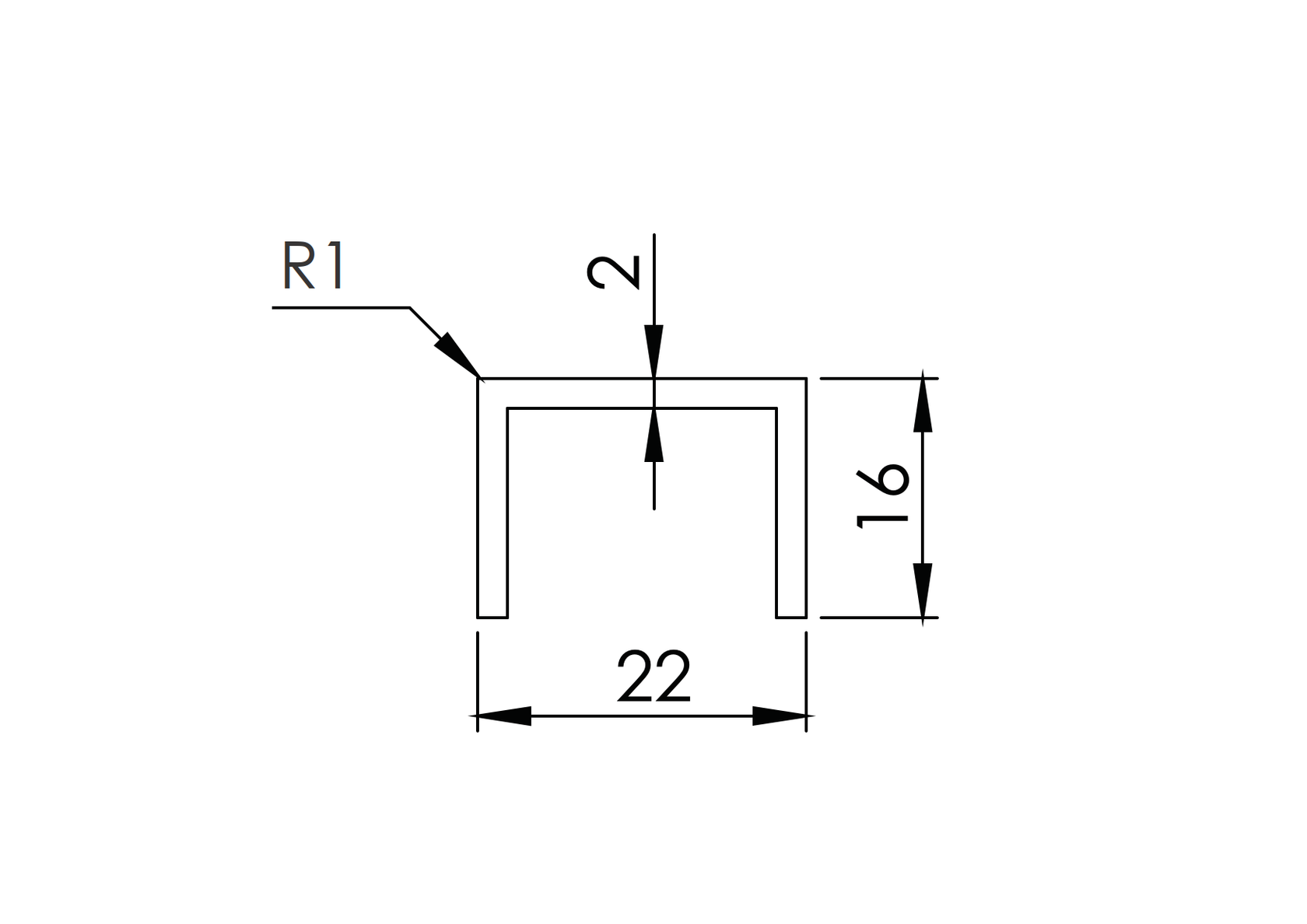
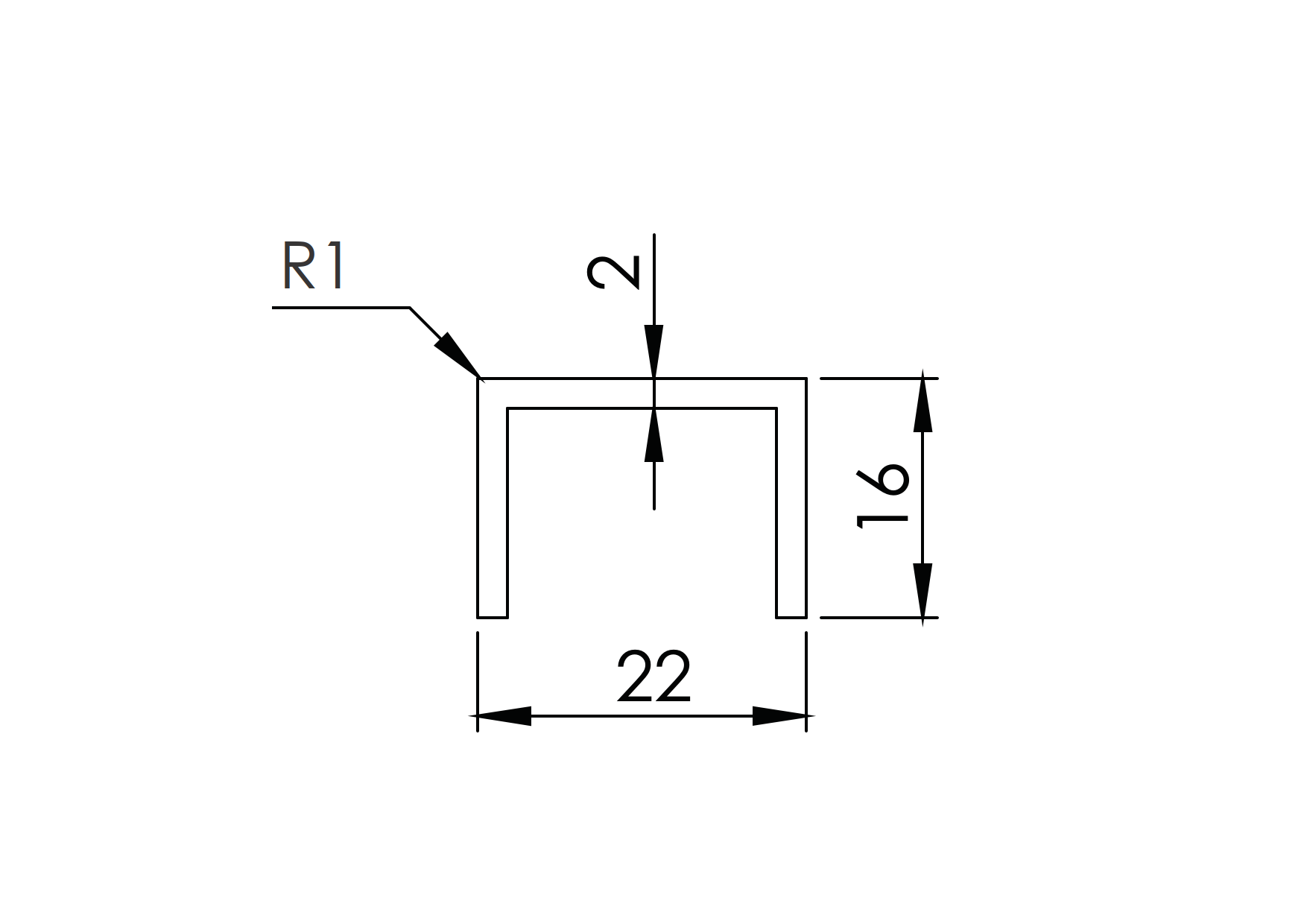
Opis
Narożnik aluminiowy do zakończenia wypełnienia szklanego, wykończenie powierzchni czarny eloksal.
Parametry
Materiał
Określa materiał, z którego wykonano produkt.
Aluminium
Wykończenie powierzchni
Wykończenie powierzchni produktu
Satin-ELOX
szkło t
Określa grubość szkła w mm, do jakiego jest produkt przeznaczony
16,0-17,5
Kolor
Vyberte si farebný odtieň.
Czarna
L
Parametr długości produktu
200
Mocowanie
Určuje materiál, na ktorý sa ukotvuje daná položka.
Od szkła
LED
Nie
