Jesteś firmą? Zarejestruj się, aby uzyskać lepszą cenę.

Q5/08-FH12-50

Kotwa do dużych obciążeń z wkrętem z łbem stożkowym

Materiał: Stal, Wykończenie powierzchni: Ocynkowany, L: 125, Użycie: Mocowanie, M: 8, d: 12

10,38 zł
bez VAT
12,77 zł
z VAT


SZT
Dostępność zapasów
SK Krompachy > 5000
PL Ruda Śląska 20

Kontakt

Więcej informacji o produkcie uzyskasz kontaktując się z naszym handlowcem:

umakow@umakow.pl
+48517534197

Opis

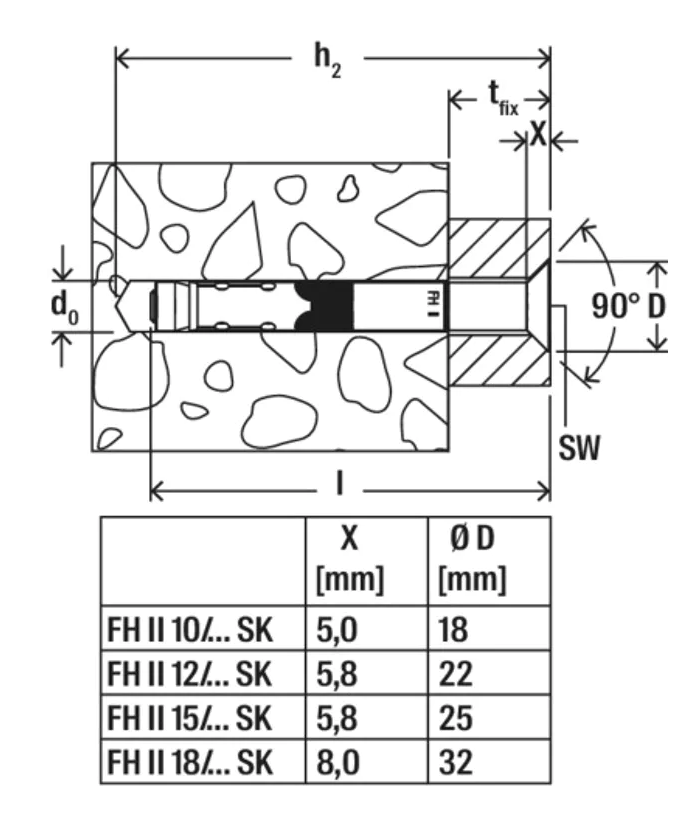
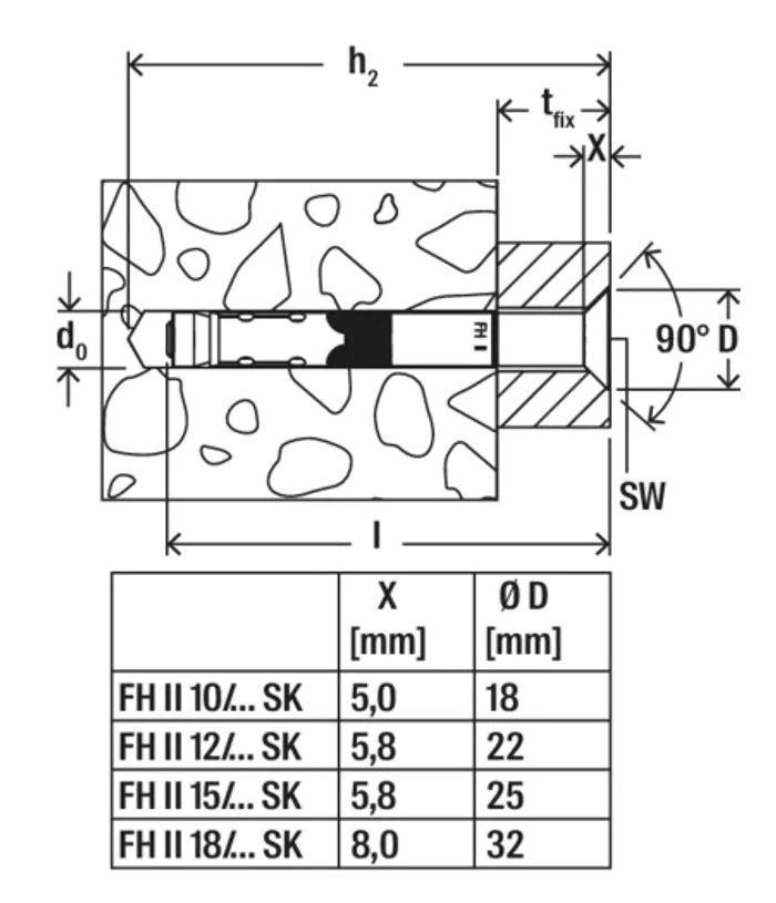
Kotwa wysokowydajna Fischer z łbem wpuszczanym uwzględnia tuleję ze stali ocynkowanej. Kotwa przyspiesza montaż przelotowy. Podczas osadzania kotwy, stożek jest wciągany do tulei i rozpiera ją do ścianki otworu. Czarny plastikowy pierścień zapobiega obracaniu się kotwy i redukuje poślizg przy dokręcaniu. Oznacza to, że element mocowany jest dociągany do materiału podłoża. Kotwa wysokowydajna Fischer z łbem wpuszczanym idealnie sprawdza się w mocowaniu poręczy i barierek, elementów schodów i drabin w betonie zarysowanym i niezarysowanym.
Łeb stożkowy do montażu zlicowanego z powierzchnią.
Międzynarodowe aprobaty gwarantują
Maksymalnee bezpieczeństwo i
Maksymalneą skuteczność. Dotyczy to również zastosować w regionach narażonych na działalność sejsmiczną (kat. C1 i C2).
Idealne
Połączenie trzpienia śruby i tulei oferuje wysoką nośność poprzeczną przy mniejszej ilości punktów mocowania.
Zoptymalizowana
Geometria inteligentnie
Ogranicza potrzebną energię, a więc zapewnia montaż bez użycia nadmiernej siły.

aprobata ETA: TAK
Nominalna średnica wiertła (d0): 12 mm
min. głębokość otworu przy montażu przelotowym (h2): 130 mm
max. grubość elementu mocowanego (t fix): 50 mm
Gwint (M): M8
Pakowanie: Pudełko składane
Ilość: 25 St.
GTIN (EAN-Code): 4006209449196
Seismic-Approval: C1 / C2

Parametry

Materiał
Określa materiał, z którego wykonano produkt.
Stal
Wykończenie powierzchni
Wykończenie powierzchni produktu
Ocynkowany
L
Parametr długości produktu
125
Użycie
Mocowanie
d
12
M
8

List katalogowy

Wymagane produkty

Profil balustrady szklanej Al AL/ELOX/Satin L195mm AL/0004-S-E-90-OUT

Materiał
Aluminium
Wykończenie powierzchni
Satin-ELOX
szkło t
12,00-21,52
Obowiązkowe akcesoria
226,55 zł
bez VAT
278,66 zł z VAT
W magazynie (40 szt.)
SZT
Obowiązkowe akcesoria

Profil aluminiowy - mocowanie od góry AL/0004-5000-S-E

Materiał
Aluminium
Wykończenie powierzchni
Satin-ELOX
szkło t
12,00-21,52
Obowiązkowe akcesoria
1.068,30 zł
bez VAT
1.314,01 zł z VAT
W magazynie (1361 szt.)
SZT

Profil balustrady szklanej AL/0004-2500-S-E

Materiał
Aluminium
Wykończenie powierzchni
Satin-ELOX
szkło t
12,00-21,52
Obowiązkowe akcesoria
569,60 zł
bez VAT
700,61 zł z VAT
W magazynie (731 szt.)
SZT

Profil balustrady szklanej Al AL/0004-1250-S-E

Materiał
Aluminium
Wykończenie powierzchni
Satin-ELOX
szkło t
12,00-21,52
Obowiązkowe akcesoria
285,02 zł
bez VAT
350,57 zł z VAT
bardzo mało w magazynie (8 szt.)
SZT

Profil aluminiowy - mocowanie od góry AL/0004-5000-S-E

Materiał
Aluminium
Wykończenie powierzchni
Satin-ELOX
szkło t
12,00-21,52
Obowiązkowe akcesoria
1.068,30 zł
bez VAT
1.314,01 zł z VAT
W magazynie (1361 szt.)
SZT
Towary alternatywne
Obowiązkowe akcesoria

Profil aluminiowy - mocowanie od góry AL/0004-5000-S-E-Drain

Materiał
Aluminium
Wykończenie powierzchni
Satin-ELOX
szkło t
12,00-21,52
Obowiązkowe akcesoria
1.206,28 zł
bez VAT
1.483,72 zł z VAT
W magazynie (98 szt.)
SZT

Profil balustrady szklanej AL/0004-2500-S-E

Materiał
Aluminium
Wykończenie powierzchni
Satin-ELOX
szkło t
12,00-21,52
Obowiązkowe akcesoria
569,60 zł
bez VAT
700,61 zł z VAT
W magazynie (731 szt.)
SZT

Profil aluminiowy - mocowanie od góry AL/0004-6000-S-E

Materiał
Aluminium
Wykończenie powierzchni
Satin-ELOX
szkło t
12,00-21,52
Obowiązkowe akcesoria
1.302,29 zł
bez VAT
1.601,82 zł z VAT
W magazynie (497 szt.)
SZT

Profil balustrady szklanej AL/0004-ECO-5000-S-E

Materiał
Aluminium
Wykończenie powierzchni
Satin-ELOX
szkło t
12,00-21,52
Obowiązkowe akcesoria
968,46 zł
bez VAT
1.191,21 zł z VAT
W magazynie (663 szt.)
SZT

Kotwa ze stali nierdzewnej A5/08-105x11xM8

Materiał
Stal nierdzewna AISI 304
Wykończenie powierzchni
Surowy
Użycie
Mocowanie
9,66 zł
bez VAT
11,88 zł z VAT
W magazynie (4329 szt.)
SZT

Przyrząd do wyciągania klinów AL PRO AL/glass-mont-PRO

Materiał
Stal nierdzewna AISI 304
Wykończenie powierzchni
Surowy
65,36 zł
bez VAT
80,39 zł z VAT
Mało w magazynie (19 szt.)
SZT

Kotwa chemiczna, 300ml - żywica poliestrowa Q5/01GFP-300

Materiał
Chemia
Użycie
Mocowanie
Obowiązkowe akcesoria
28,90 zł
bez VAT
35,55 zł z VAT
W magazynie (330 szt.)
SZT

Śruba stożkowa + podkładka stożkowa, M8, Zn, SW=T40 W-DIN 7991 M8x20-P

Materiał
Stal
Wykończenie powierzchni
Ocynkowany
Obowiązkowe akcesoria
15,65 zł
bez VAT
19,25 zł z VAT
bardzo mało w magazynie (4 szt.)
SZT

Kotwa do dużych obciążeń z wkrętem z łbem stożkowym Q5/08-FH12-50

Materiał
Stal
Wykończenie powierzchni
Ocynkowany
L
125
Obowiązkowe akcesoria
10,38 zł
bez VAT
12,77 zł z VAT
W magazynie (21775 szt.)
SZT

Kotwa do dużych obciążeń, INOX, M8 Q5/08-VI-IG-M8-100/S

Materiał
Stal
L
100
Użycie
Mocowanie
Brak w magazynie
0,00 zł
bez VAT
0,00 zł z VAT
Zamówione
SZT

Kotwa do dużych obciążeń, INOX A5/08-VI-IG-M8-100/A4

Materiał
Stal kwasoodporna AISI 316
Użycie
Mocowanie
M
8
Brak w magazynie
0,00 zł
bez VAT
0,00 zł z VAT
Zamówione
SZT

Profil balustrady szklanej AL/0004-2500-S-E

Materiał
Aluminium
Wykończenie powierzchni
Satin-ELOX
szkło t
12,00-21,52
Obowiązkowe akcesoria
569,60 zł
bez VAT
700,61 zł z VAT
W magazynie (731 szt.)
SZT
Towary alternatywne
Obowiązkowe akcesoria

Profil aluminiowy - mocowanie od góry AL/0004-5000-S-E

Materiał
Aluminium
Wykończenie powierzchni
Satin-ELOX
szkło t
12,00-21,52
Obowiązkowe akcesoria
1.068,30 zł
bez VAT
1.314,01 zł z VAT
W magazynie (1361 szt.)
SZT

Profil aluminiowy - mocowanie od góry AL/0004-6000-S-E

Materiał
Aluminium
Wykończenie powierzchni
Satin-ELOX
szkło t
12,00-21,52
Obowiązkowe akcesoria
1.302,29 zł
bez VAT
1.601,82 zł z VAT
W magazynie (497 szt.)
SZT

Profil balustrady szklanej AL/0004-ECO-2500-S-E

Materiał
Aluminium
Wykończenie powierzchni
Satin-ELOX
szkło t
12,00-21,52
Obowiązkowe akcesoria
492,03 zł
bez VAT
605,20 zł z VAT
W magazynie (598 szt.)
SZT

Kotwa ze stali nierdzewnej A5/08-105x11xM8

Materiał
Stal nierdzewna AISI 304
Wykończenie powierzchni
Surowy
Użycie
Mocowanie
9,66 zł
bez VAT
11,88 zł z VAT
W magazynie (4329 szt.)
SZT

Przyrząd do wyciągania klinów AL PRO AL/glass-mont-PRO

Materiał
Stal nierdzewna AISI 304
Wykończenie powierzchni
Surowy
65,36 zł
bez VAT
80,39 zł z VAT
Mało w magazynie (19 szt.)
SZT

Śruba stożkowa + podkładka stożkowa, M8, Zn, SW=T40 W-DIN 7991 M8x20-P

Materiał
Stal
Wykończenie powierzchni
Ocynkowany
Obowiązkowe akcesoria
15,65 zł
bez VAT
19,25 zł z VAT
bardzo mało w magazynie (4 szt.)
SZT

Kotwa do dużych obciążeń, INOX, M8 Q5/08-VI-IG-M8-100/S

Materiał
Stal
L
100
Użycie
Mocowanie
Brak w magazynie
0,00 zł
bez VAT
0,00 zł z VAT
Zamówione
SZT

Kotwa do dużych obciążeń, INOX A5/08-VI-IG-M8-100/A4

Materiał
Stal kwasoodporna AISI 316
Użycie
Mocowanie
M
8
Brak w magazynie
0,00 zł
bez VAT
0,00 zł z VAT
Zamówione
SZT

Kotwa do dużych obciążeń z wkrętem z łbem stożkowym Q5/08-FH12-50

Materiał
Stal
Wykończenie powierzchni
Ocynkowany
L
125
Obowiązkowe akcesoria
10,38 zł
bez VAT
12,77 zł z VAT
W magazynie (21775 szt.)
SZT

Profil balustrady szklanej Al AL/0004-1250-S-E

Materiał
Aluminium
Wykończenie powierzchni
Satin-ELOX
szkło t
12,00-21,52
Obowiązkowe akcesoria
285,02 zł
bez VAT
350,57 zł z VAT
bardzo mało w magazynie (8 szt.)
SZT
Towary alternatywne
Obowiązkowe akcesoria

Profil aluminiowy - mocowanie od góry AL/0004-5000-S-E

Materiał
Aluminium
Wykończenie powierzchni
Satin-ELOX
szkło t
12,00-21,52
Obowiązkowe akcesoria
1.068,30 zł
bez VAT
1.314,01 zł z VAT
W magazynie (1361 szt.)
SZT

Profil balustrady szklanej AL/0004-2500-S-E

Materiał
Aluminium
Wykończenie powierzchni
Satin-ELOX
szkło t
12,00-21,52
Obowiązkowe akcesoria
569,60 zł
bez VAT
700,61 zł z VAT
W magazynie (731 szt.)
SZT

Kotwa do dużych obciążeń, INOX A5/08-VI-IG-M8-100/A4

Materiał
Stal kwasoodporna AISI 316
Użycie
Mocowanie
M
8
Brak w magazynie
0,00 zł
bez VAT
0,00 zł z VAT
Zamówione
SZT

Przyrząd do wyciągania klinów AL PRO AL/glass-mont-PRO

Materiał
Stal nierdzewna AISI 304
Wykończenie powierzchni
Surowy
65,36 zł
bez VAT
80,39 zł z VAT
Mało w magazynie (19 szt.)
SZT

Kotwa do dużych obciążeń, INOX, M8 Q5/08-VI-IG-M8-100/S

Materiał
Stal
L
100
Użycie
Mocowanie
Brak w magazynie
0,00 zł
bez VAT
0,00 zł z VAT
Zamówione
SZT

Kotwa ze stali nierdzewnej A5/08-105x11xM8

Materiał
Stal nierdzewna AISI 304
Wykończenie powierzchni
Surowy
Użycie
Mocowanie
9,66 zł
bez VAT
11,88 zł z VAT
W magazynie (4329 szt.)
SZT

Kotwa do dużych obciążeń z wkrętem z łbem stożkowym Q5/08-FH12-50

Materiał
Stal
Wykończenie powierzchni
Ocynkowany
L
125
Obowiązkowe akcesoria
10,38 zł
bez VAT
12,77 zł z VAT
W magazynie (21775 szt.)
SZT

Śruba stożkowa + podkładka stożkowa, M8, Zn, SW=T40 W-DIN 7991 M8x20-P

Materiał
Stal
Wykończenie powierzchni
Ocynkowany
Obowiązkowe akcesoria
15,65 zł
bez VAT
19,25 zł z VAT
bardzo mało w magazynie (4 szt.)
SZT

Profil aluminiowy AL/0008-5000-S-E

Materiał
Aluminium
Wykończenie powierzchni
Satin-ELOX
szkło t
21,52-25,52
1.765,42 zł
bez VAT
2.171,47 zł z VAT
W magazynie (315 szt.)
SZT
Towary alternatywne

Mocowanie 3KN - profil AL AL/0008-2500-S-E

Materiał
Aluminium
Wykończenie powierzchni
Satin-ELOX
szkło t
21,52-25,52
903,06 zł
bez VAT
1.110,76 zł z VAT
W magazynie (41 szt.)
SZT

Profil balustrady szklanej Al AL/0009-5000-S-E

Materiał
Aluminium
Wykończenie powierzchni
Satin-ELOX
szkło t
21,52-25,52
Obowiązkowe akcesoria
Brak w magazynie
1.640,21 zł
bez VAT
2.017,46 zł z VAT
Zamówione
SZT
Towary alternatywne
Obowiązkowe akcesoria

Profil balustrady szklanej Al AL/0009-2500-S-E

Materiał
Aluminium
Wykończenie powierzchni
Satin-ELOX
szkło t
21,52-25,52
Obowiązkowe akcesoria
894,51 zł
bez VAT
1.100,25 zł z VAT
W magazynie (39 szt.)
SZT

Profil balustrady szklanej Al AL/ELOX/Satin L195mm AL/0009-S-E-90-IN

Materiał
Aluminium
Wykończenie powierzchni
Satin-ELOX
szkło t
21,52-25,52
Obowiązkowe akcesoria
Brak w magazynie
358,45 zł
bez VAT
440,89 zł z VAT
Zamówione
SZT

Profil balustrady szklanej Al AL/ELOX/Satin L195mm AL/0009-S-E-90-OUT

Materiał
Aluminium
Wykończenie powierzchni
Satin-ELOX
szkło t
21,52-25,52
Obowiązkowe akcesoria
Brak w magazynie
357,67 zł
bez VAT
439,93 zł z VAT
Zamówione
SZT

Profil aluminiowy - mocowanie od góry AL/0004-6000-S-E

Materiał
Aluminium
Wykończenie powierzchni
Satin-ELOX
szkło t
12,00-21,52
Obowiązkowe akcesoria
1.302,29 zł
bez VAT
1.601,82 zł z VAT
W magazynie (497 szt.)
SZT
Towary alternatywne
Obowiązkowe akcesoria

Profil aluminiowy - mocowanie od góry AL/0004-5000-S-E

Materiał
Aluminium
Wykończenie powierzchni
Satin-ELOX
szkło t
12,00-21,52
Obowiązkowe akcesoria
1.068,30 zł
bez VAT
1.314,01 zł z VAT
W magazynie (1361 szt.)
SZT

Profil balustrady szklanej AL/0004-2500-S-E

Materiał
Aluminium
Wykończenie powierzchni
Satin-ELOX
szkło t
12,00-21,52
Obowiązkowe akcesoria
569,60 zł
bez VAT
700,61 zł z VAT
W magazynie (731 szt.)
SZT

Profil balustrady szklanej AL/0004-ECO-6000-S-E

Materiał
Aluminium
Wykończenie powierzchni
Satin-ELOX
szkło t
12,00-21,52
Obowiązkowe akcesoria
1.172,09 zł
bez VAT
1.441,67 zł z VAT
W magazynie (1078 szt.)
SZT

Kotwa ze stali nierdzewnej A5/08-105x11xM8

Materiał
Stal nierdzewna AISI 304
Wykończenie powierzchni
Surowy
Użycie
Mocowanie
9,66 zł
bez VAT
11,88 zł z VAT
W magazynie (4329 szt.)
SZT

Przyrząd do wyciągania klinów AL PRO AL/glass-mont-PRO

Materiał
Stal nierdzewna AISI 304
Wykończenie powierzchni
Surowy
65,36 zł
bez VAT
80,39 zł z VAT
Mało w magazynie (19 szt.)
SZT

Mocowanie - szklo uszczelka A19/0004-021-06.0

Materiał
EPDM/Plastik
szkło t
20,76
L
6000
164,79 zł
bez VAT
202,69 zł z VAT
W magazynie (144 szt.)
ZEST

Mocowanie - szklo uszczelka A19/0004-022-06.0

Materiał
EPDM/Plastik
szkło t
21,52
L
6000
172,23 zł
bez VAT
211,84 zł z VAT
W magazynie (144 szt.)
ZEST

Kotwa do dużych obciążeń z wkrętem z łbem stożkowym Q5/08-FH12-50

Materiał
Stal
Wykończenie powierzchni
Ocynkowany
L
125
Obowiązkowe akcesoria
10,38 zł
bez VAT
12,77 zł z VAT
W magazynie (21775 szt.)
SZT

Śruba stożkowa + podkładka stożkowa, M8, Zn, SW=T40 W-DIN 7991 M8x20-P

Materiał
Stal
Wykończenie powierzchni
Ocynkowany
Obowiązkowe akcesoria
15,65 zł
bez VAT
19,25 zł z VAT
bardzo mało w magazynie (4 szt.)
SZT

Kotwa do dużych obciążeń, INOX, M8 Q5/08-VI-IG-M8-100/S

Materiał
Stal
L
100
Użycie
Mocowanie
Brak w magazynie
0,00 zł
bez VAT
0,00 zł z VAT
Zamówione
SZT

Kotwa do dużych obciążeń, INOX A5/08-VI-IG-M8-100/A4

Materiał
Stal kwasoodporna AISI 316
Użycie
Mocowanie
M
8
Brak w magazynie
0,00 zł
bez VAT
0,00 zł z VAT
Zamówione
SZT

Produkty alternatywne

Kotwa do dużych obciążeń z wkrętem z łbem stożkowym M8 Q5/08-12-125

Materiał
Stal
Wykończenie powierzchni
Ocynkowany
L
120
7,57 zł
bez VAT
9,31 zł z VAT
W magazynie (3280 szt.)
SZT
Towary alternatywne

Kotwa do dużych obciążeń z wkrętem z łbem stożkowym Q5/08-FH12-50

Materiał
Stal
Wykończenie powierzchni
Ocynkowany
L
125
Obowiązkowe akcesoria
10,38 zł
bez VAT
12,77 zł z VAT
W magazynie (21775 szt.)
SZT

Kotwa do dużych obciążeń z wkrętem z łbem stożkowym M8,stal nierdzewna A5/08-12-125

Materiał
Stal nierdzewna AISI 304
Wykończenie powierzchni
Surowy
L
120
11,68 zł
bez VAT
14,37 zł z VAT
W magazynie (4248 szt.)
SZT

Kotwa do dużych obciążeń z wkrętem z łbem stożkowym M8,stal nierdzewna A5/08-12-125

Materiał
Stal nierdzewna AISI 304
Wykończenie powierzchni
Surowy
L
120
11,68 zł
bez VAT
14,37 zł z VAT
W magazynie (4248 szt.)
SZT
Towary alternatywne

Kotwa do dużych obciążeń z wkrętem z łbem stożkowym Q5/08-FH12-50

Materiał
Stal
Wykończenie powierzchni
Ocynkowany
L
125
Obowiązkowe akcesoria
10,38 zł
bez VAT
12,77 zł z VAT
W magazynie (21775 szt.)
SZT

Kotwa do dużych obciążeń z wkrętem z łbem stożkowym M8 Q5/08-12-125

Materiał
Stal
Wykończenie powierzchni
Ocynkowany
L
120
7,57 zł
bez VAT
9,31 zł z VAT
W magazynie (3280 szt.)
SZT

Kotwa do dużych obciążeń z wkrętem z łbem stożkowym M8 Q5/08-HAZ-M8-80SK/S

Materiał
Stal
Wykończenie powierzchni
Ocynkowany
L
80
11,41 zł
bez VAT
14,03 zł z VAT
bardzo mało w magazynie (2 szt.)
SZT
Towary alternatywne

Kotwa o średnim obciążeniu z wkrętem z łbem stożkowym M8 Q5/08-M8-75SK/S

Materiał
Stal
Wykończenie powierzchni
Ocynkowany
L
75
5,16 zł
bez VAT
6,35 zł z VAT
W magazynie (776 szt.)
SZT

Kotwa do dużych obciążeń z wkrętem z łbem stożkowym Q5/08-FH12-50

Materiał
Stal
Wykończenie powierzchni
Ocynkowany
L
125
Obowiązkowe akcesoria
10,38 zł
bez VAT
12,77 zł z VAT
W magazynie (21775 szt.)
SZT

Kotwa ze stali nierdzewnej A5/08-105x11xM8

Materiał
Stal nierdzewna AISI 304
Wykończenie powierzchni
Surowy
Użycie
Mocowanie
9,66 zł
bez VAT
11,88 zł z VAT
W magazynie (4329 szt.)
SZT
Towary alternatywne

Kotwa ze stali nierdzewnej, AISI 316 A14/08-105x11xM8

Materiał
Stal kwasoodporna AISI 316
Wykończenie powierzchni
Surowy
Użycie
Mocowanie
9,62 zł
bez VAT
11,83 zł z VAT
W magazynie (1757 szt.)
SZT

Kotwa nierdzewna M8, L=140mm A19/27-M8

Materiał
Stal nierdzewna AISI 304
Wykończenie powierzchni
Szlifowany
Kształt
Pręt okrągły
10,33 zł
bez VAT
12,71 zł z VAT
W magazynie (2218 szt.)
SZT
Kotwa do dużych obciążeń z wkrętem z łbem stożkowym
umakov-pl

Kotwa do dużych obciążeń z wkrętem z łbem stożkowym

10,38 zł
Kotwa wysokowydajna Fischer z łbem wpuszczanym uwzględnia tuleję ze stali ocynkowanej. Kotwa przyspiesza montaż przelotowy. Podczas osadzania kotwy, stożek jest wciągany do tulei i rozpiera ją do ścianki otworu. Czarny plastikowy pierścień zapobiega obracaniu się kotwy i redukuje poślizg przy dokręcaniu. Oznacza to, że element mocowany jest dociągany do materiału podłoża. Kotwa wysokowydajna Fischer z łbem wpuszczanym idealnie sprawdza się w mocowaniu poręczy i barierek, elementów schodów i drabin w betonie zarysowanym i niezarysowanym.
Łeb stożkowy do montażu zlicowanego z powierzchnią.
Międzynarodowe aprobaty gwarantują
Maksymalnee bezpieczeństwo i
Maksymalneą skuteczność. Dotyczy to również zastosować w regionach narażonych na działalność sejsmiczną (kat. C1 i C2).
Idealne
Połączenie trzpienia śruby i tulei oferuje wysoką nośność poprzeczną przy mniejszej ilości punktów mocowania.
Zoptymalizowana
Geometria inteligentnie
Ogranicza potrzebną energię, a więc zapewnia montaż bez użycia nadmiernej siły.

aprobata ETA: TAK
Nominalna średnica wiertła (d0): 12 mm
min. głębokość otworu przy montażu przelotowym (h2): 130 mm
max. grubość elementu mocowanego (t fix): 50 mm
Gwint (M): M8
Pakowanie: Pudełko składane
Ilość: 25 St.
GTIN (EAN-Code): 4006209449196
Seismic-Approval: C1 / C2
Pokaż produkt