D4/72Fe-100
Záves pružinový jednostranný, Fe, L=100mm
24,13 zł
Jednotková cena
/
Nie je dostupný
bez DPH
s DPH
Skladová dostupnosť
SK Krompachy
> 25
PL Ruda Śląska
0
Kontakt
Kontakt
Pre viac informácií o produkte môžete kontaktovať nášho obchodníka:
objednavky@umakov.sk; info@umakov.sk
+421 908 986 081, +421 908 994 153
Popis
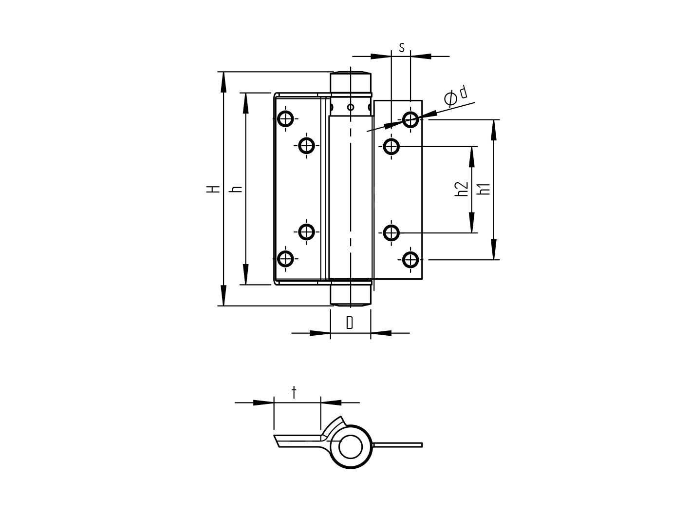
Samozatvárací pružinový záves, jednostranný, bez povrchovej úpravy, výška 100mm. Možnosť nastavenia sily. Určené do interiéru.
Odporúčanie pri 2-kusoch závesov: Hrubá dverí 25 -30 mm, šírka dverí do 700mm , váha dverí do 22kg
Na stiahnutie
Katalog
Alternatívne produkty
INOX záves pružinový jednostranný, L=100mm D8/72I-100
Materiál
Nerez AISI 304
Povrchová úprava
Brus
Hmotnosť brány Gmax/Goptimal (kg)
22
Skladová dostupnosť
SK Krompachy
> 500
PL Ruda Śląska
0
22,41 zł
Jednotková cena
/
Nie je dostupný
História ceny
Najnižšia cena za posledných 30 dní:
bez DPH
22,41 zł
Jednotková cena
/
Nie je dostupný
Skladom
(2806 KS)

